ASTM-A-182
ASME-SA-182
ANSI等级锻造
Type 304/304L 绿色
Type 316/316L 棕色
150 磅尺寸
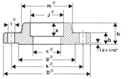
| 公称管道尺寸 | 法兰 | Hub(米、毫米、英寸) | 凸面(克、毫米、英寸) | 钻孔模板 | 约重(公斤、磅) | |||||||
| 尺寸(毫米、英寸) | c(毫米、英寸) | j(毫米、英寸) | x(毫米、英寸) | b(毫米、英寸) | h(毫米、英寸) | 数字 | l(毫米、英寸) | k(毫米、英寸) | ||||
| 1/2″ | 88.9 | 15.7 | 22.4 | 9.5 | 11.1 | 15.9 | 30.2 | 34.9 | 4 | 15.9 | 60.3 | 0.4 |
| 3 1/2 | 0.62 | 0.9 | 3/8 | 7/16 | 5/8 | 1 3/16 | 1 3/8 | 5/8 | 2 3/8 | 0.9 | ||
| 3/4″ | 98.4 | 20.8 | 27.7 | 11.1 | 12.7 | 15.9 | 38.1 | 42.9 | 4 | 15.9 | 69.8 | 0.7 |
| 3 7/8 | 0.82 | 1.1 | 7/16 | 1/2 | 5/8 | 1 1/2 | 1 11/16 | 5/8 | 2 3/4 | 1.5 | ||
| 1″ | 107.9 | 26.7 | 34.5 | 12.7 | 14.3 | 17.5 | 49.2 | 50.8 | 4 | 15.9 | 79.4 | 0.9 |
| 4 1/4 | 1.05 | 1.4 | 1/2 | 9/16 | 11/16 | 1 15/16 | 2 | 5/8 | 3 1/8 | 2.0 | ||
| 11/4″ | 117.5 | 35.05 | 43.2 | 14.3 | 15.9 | 20.6 | 58.7 | 63.5 | 4 | 15.9 | 88.9 | 1.2 |
| 4 5/8 | 1.38 | 1.7 | 9/16 | 5/8 | 13/16 | 2 5/16 | 2 1/2 | 5/8 | 3 1/2 | 2.6 | ||
| 11/2″ | 127 | 40.9 | 49.5 | 15.9 | 17.5 | 22.2 | 65.1 | 73 | 4 | 15.9 | 98.4 | 1.5 |
| 5 | 1.61 | 2.0 | 5/8 | 11/16 | 7/8 | 2 9/16 | 2 7/8 | 5/8 | 3 7/8 | 3.3 | ||
| 2″ | 152.4 | 52.6 | 62.0 | 17.5 | 19.1 | 25.4 | 77.8 | 92.1 | 4 | 19 | 120.6 | 2.3 |
| 6 | 2.07 | 2.4 | 11/16 | 3/4 | 1 | 3 1/16 | 3 5/8 | 3/4 | 4 3/4 | 5.1 | ||
| 21/2″ | 177.8 | 62.7 | 74.7 | 19.1 | 22.3 | 28.6 | 90.5 | 104.8 | 4 | 19 | 139.7 | 3.7 |
| 7 | 2.47 | 2.9 | 3/4 | 7/8 | 1 1/8 | 3 9/16 | 4 1/8 | 3/4 | 5 1/2 | 8.1 | ||
| 3″ | 190.5 | 78 | 90.7 | 20.6 | 23.8 | 30.2 | 107.9 | 127 | 4 | 19 | 152.4 | 4.2 |
| 7 1/2 | 3.07 | 3.6 | 3/16 | 15/16 | 1 3/16 | 4 1/4 | 5 | 3/4 | 6 | 9.2 | ||
300 磅尺寸
| 公称管道尺寸 | 法兰 | Hub(米、毫米、英寸) | 凸面(克、毫米、英寸) | 钻孔模板 | 约重(公斤、磅) | |||||||
| 尺寸(毫米、英寸) | c(毫米、英寸) | J(毫米、英寸) | x(毫米、英寸) | b(毫米、英寸) | h(毫米、英寸) | 数字 | l(毫米、英寸) | k(毫米、英寸) | ||||
| 1/2″ | 95.2 | 15.70 | 22.35 | 9.5 | 14.3 | 22.2 | 38.1 | 34.9 | 4 | 15.9 | 66.7 | 0.7 |
| 3 3/4 | 0.62 | 0.88 | 3/8 | 9/16 | 7/8 | 1 1/2 | 1 3/8 | 5/8 | 2 5/8 | 1.5 | ||
| 3/4″ | 117.5 | 20.80 | 27.70 | 11.1 | 15.9 | 25.4 | 47.6 | 42.9 | 4 | 19.05 | 82.5 | 1.2 |
| 4 5/8 | 0.82 | 1.09 | 7/16 | 5/8 | 1 | 1 7/8 | 1 11/16 | 3/4 | 3 1/4 | 2.6 | ||
| 1″ | 123.8 | 26.70 | 34.50 | 12.7 | 17.5 | 27.0 | 54 | 50.8 | 4 | 19.05 | 88.9 | 1.4 |
| 4 7/8 | 1.05 | 1.36 | 1/2 | 11/16 | 1 1/16 | 2 1/16 | 2 | 3/4 | 3 1/2 | 3.1 | ||
| 11/4″ | 133.3 | 35.05 | 43.20 | 14.3 | 19.0 | 27.0 | 63.5 | 63.5 | 4 | 19.05 | 98.4 | 1.9 |
| 5 1/4 | 1.38 | 1.70 | 9/16 | 3/4 | 1 1/16 | 2 1/2 | 2 1/2 | 3/4 | 3 7/8 | 4.2 | ||
| 11/2″ | 155.6 | 40.90 | 49.50 | 15.9 | 20.6 | 30.2 | 69.8 | 73 | 4 | 22.2 | 114.3 | 2.8 |
| 6 1/8 | 1.61 | 1.95 | 5/8 | 13/16 | 1 3/16 | 2 3/4 | 2 7/8 | 7/8 | 4 1/2 | 6.2 | ||
| 2″ | 165.1 | 52.60 | 62.00 | 17.5 | 22.2 | 33.3 | 84.1 | 92.1 | 8 | 19.05 | 127.5 | 3.3 |
| 6 1/2 | 2.07 | 2.44 | 11/16 | 7/8 | 1 5/16 | 3 5/16 | 3 5/8 | 3/4 | 5 | 7.3 | ||
| 21/2″ | 190.5 | 62.70 | 74.70 | 19.1 | 25.4 | 38.1 | 100 | 104.8 | 8 | 22.2 | 192.2 | 4.6 |
| 7 1/2 | 2.47 | 2.94 | 3/4 | 1 | 1 1/2 | 3 15/16 | 4 1/8 | 7/8 | 5 7/8 | 10.1 | ||
| 3″ | 209.5 | 78.00 | 90.70 | 20.6 | 28.6 | 42.9 | 117.5 | 127 | 8 | 22.2 | 168.3 | 6.3 |
| 8 1/4 | 3.07 | 3.57 | 3/16 | 1 1/8 | 1 11/16 | 4 5/8 | 5 | 7/8 | 6 5/8 | 13.9 | ||